沃尔顿自动化装备(深圳)有限公司

中文 英文
中小型通用机器人R系列
    • RS007N机器人

    RS007N机器人

    类别:中小型通用机器人R系列

    参数:RS007N概述: 负载 7 kg 水平伸展距离 730 mm 垂直伸展距离 1,356 mm 重复性 ±0.02 mm 最大速度 12,100 mm/s

    全国咨询服务热线:0755-89664789

    产品介绍

    RS007N机器人

    高速、高性能的行业机器人

    R系列机器人为所有小中型工业机器人设定了基准。紧凑的设计和速度、伸展距离和工作范围使R系列机器人适用于遍及众多不同行业的广泛应用范围。



    RS007N概述:
    负载 7 kg
    水平伸展距离 730 mm
    垂直伸展距离 1,356 mm
    重复性 ±0.02 mm
    最大速度 12,100 mm/s


    应用:
    装配    机器管护     
    物料搬运   材料去除    封箱/点胶


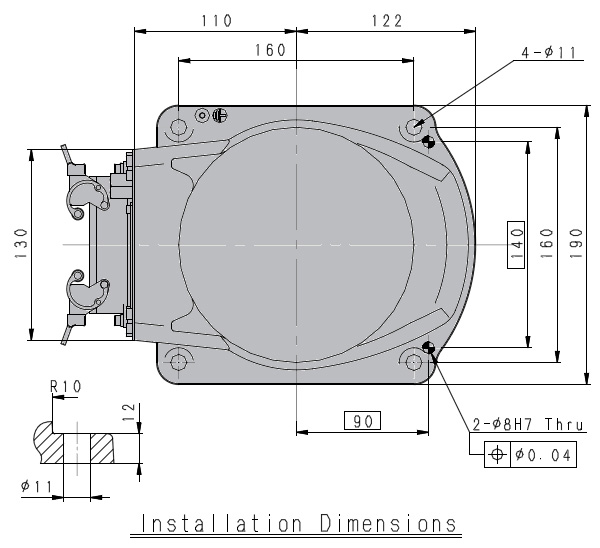
    运动范围与尺寸

    图中所示尺寸单位为毫米(mm)






    RS007N的规格:



    订购:RS007N机器人

    • 联系人
    • 手机号码
    • 电子邮件
    • 验证码

    © 2017 沃尔顿自动化装备(深圳)有限公司 版权所有

    地 址:深圳市坪山区翠景路28号   电话:0755-89664789  传真:0755-89664789

    粤ICP备19050790号 网站地图   免责声明  技术支持:国人在线