返回当前位置:首页 / 产品中心 / 川崎机器人 / 中小型通用机器人R系列
RS010N机器人
高速、高性能的行业机器人
R系列机器人为所有小中型工业机器人设定了基准。紧凑的设计和速度、伸展距离和工作范围使R系列机器人适用于遍及众多不同行业的广泛应用范围。
RS010N概述:
负载 10 kg
水平伸展距离 1,450 mm
垂直伸展距离 2,582 mm
重复性 ±0.04 mm
速度 11,800 mm/s
应用:
装配 机器管护 物料搬运 材料去除 封箱/点胶
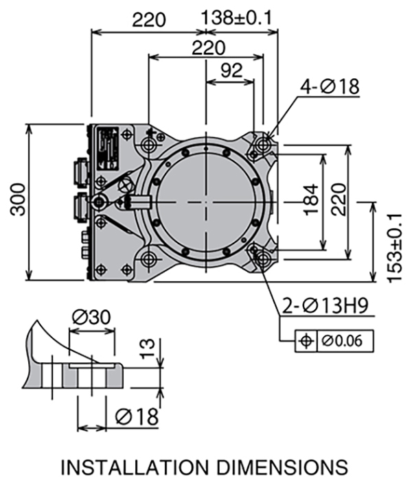
运动范围与尺寸:
图中所示尺寸单位为毫米(mm)
RS010N的规格:

© 2017 沃尔顿自动化装备(深圳)有限公司 版权所有
地 址:深圳市坪山区翠景路28号 电话:0755-89664789 传真:0755-89664789
粤ICP备19050790号 网站地图 免责声明 技术支持:国人在线