沃尔顿自动化装备(深圳)有限公司

中文 英文
大型通用机器人Z系列
    • ZT165U机器人

    ZT165U机器人

    类别:大型通用机器人Z系列

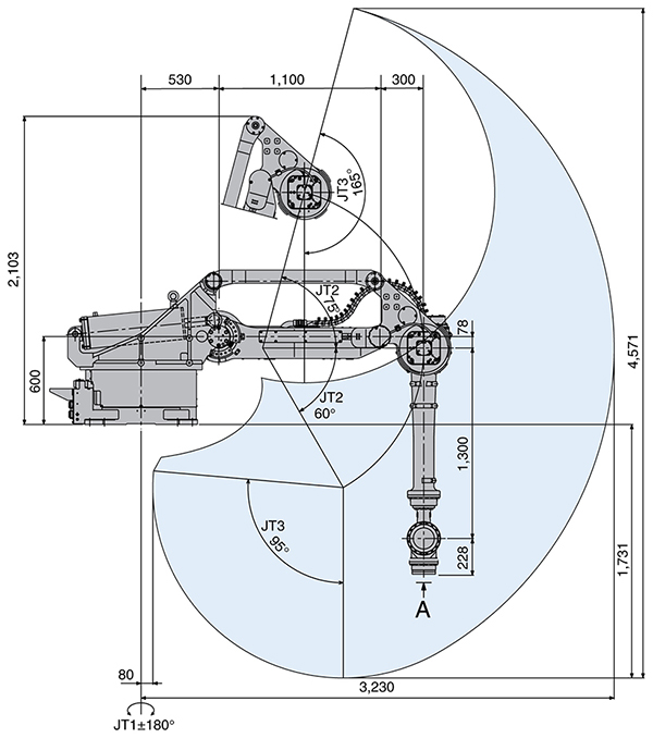
    参数:ZT165U概述: 负载 165 kg 水平伸展距离 3,230 mm 垂直伸展距离 4,571 mm 重复性 ±0.3 mm 最大线速度 2,500 mm/s

    全国咨询服务热线:0755-89664789

    产品介绍

    ZT165U机器人

    灵活的重型机器人

    Z系列重型机器人是采用川崎的先进技术和自动化的丰富经验开发的。低维护的坚固设计直接导致了在自动化和一般行业应用中提高了生产线的效率。


    ZT165U概述:
    负载 165 kg
    水平伸展距离 3,230 mm
    垂直伸展距离 4,571 mm
    重复性 ±0.3 mm
    最大线速度 2,500 mm/s


    应用: 
    装配    机器管护   材料去除  点焊     摩擦点结合    
    物料搬运      封箱/点胶


    运动范围与尺寸

    图中所示尺寸单位为毫米(mm)











    ZT165U的规格:




    订购:ZT165U机器人

    • 联系人
    • 手机号码
    • 电子邮件
    • 验证码

    © 2017 沃尔顿自动化装备(深圳)有限公司 版权所有

    地 址:深圳市坪山区翠景路28号   电话:0755-89664789  传真:0755-89664789

    粤ICP备19050790号 网站地图   免责声明  技术支持:国人在线