沃尔顿自动化装备(深圳)有限公司

中文 英文
弧焊/搬运用机器人
    • RA006L机器人

    RA006L机器人

    类别:弧焊/搬运用机器人

    参数:RA006L 概述: 负载 6 kg 轴数 6 伸展距离 1,650 mm 重复性 ±0.03 mm

    全国咨询服务热线:0755-89664789

    产品介绍

    RA006L机器人

    熟练而灵活的弧焊机器人

    川崎的复杂的弧焊机器人从安装时刻起就展示了一个专业操作员的潜质。


    RA006L概述:
    负载 6 kg
    轴数 6
    伸展距离 1,650 mm
    重复性 ±0.03 mm


    应用: 

     弧焊   搬运

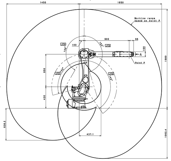
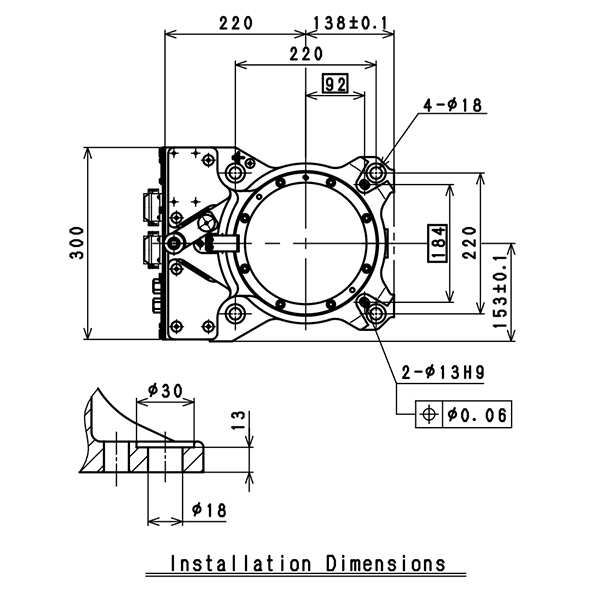
    运动范围与尺寸

    图中所示尺寸单位为毫米(mm)



    RA006L的规格:










    订购:RA006L机器人

    • 联系人
    • 手机号码
    • 电子邮件
    • 验证码

    © 2017 沃尔顿自动化装备(深圳)有限公司 版权所有

    地 址:深圳市坪山区翠景路28号   电话:0755-89664789  传真:0755-89664789

    粤ICP备19050790号 网站地图   免责声明  技术支持:国人在线