沃尔顿自动化装备(深圳)有限公司

中文 英文
防爆喷涂/搬运用机器人K系列
    • KF194机器人

    KF194机器人

    类别:防爆喷涂/搬运用机器人K系列

    参数:KF121概述: 负载12 kg 重复精度±0.5mm 水平伸展距离1978 mm

    全国咨询服务热线:0755-89664789

    产品介绍

    KF194机器人

    防爆涂装机器人

    K系列最小型防爆喷涂机器人,从小型物品的喷涂到特殊防爆环境小的搬运均可轻松对应。


    KF194概述:
    负载12 kg
    重复精度±0.5mm
    水平伸展距离19738mm


    应用: 

         涂装     搬运

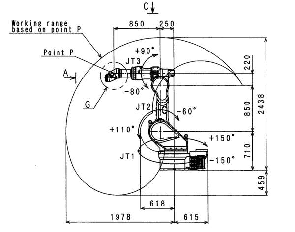
    运动范围与尺寸

    图中所示尺寸单位为毫米(mm)

























    KF194的规格:





    订购:KF194机器人

    • 联系人
    • 手机号码
    • 电子邮件
    • 验证码

    © 2017 沃尔顿自动化装备(深圳)有限公司 版权所有

    地 址:深圳市坪山区翠景路28号   电话:0755-89664789  传真:0755-89664789

    粤ICP备19050790号 网站地图   免责声明  技术支持:国人在线