沃尔顿自动化装备(深圳)有限公司

中文 英文
大负载机器人CX系列
    • CX110L机器人

    CX110L机器人

    类别:大负载机器人CX系列

    参数:负载 110 kg 伸展距离 2699mm 重复性 ±0.06 mm

    全国咨询服务热线:0755-89664789

    产品介绍

    CX110L概述:
    负载              110 kg
    伸展距离        2699mm
    重复性            ±0.06 mm


    应用:
    装配       物料搬运    码垛    点焊


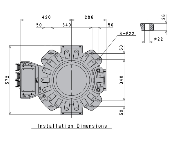
    运动范围与尺寸

    图中所示尺寸单位为毫米(mm)








    CX110L的规格:

    订购:CX110L机器人

    • 联系人
    • 手机号码
    • 电子邮件
    • 验证码

    © 2017 沃尔顿自动化装备(深圳)有限公司 版权所有

    地 址:深圳市坪山区翠景路28号   电话:0755-89664789  传真:0755-89664789

    粤ICP备19050790号 网站地图   免责声明  技术支持:国人在线