沃尔顿自动化装备(深圳)有限公司

中文 英文
超大负载机器人M系列
    • MT400N机器人

    MT400N机器人

    类别:超大负载机器人M系列

    参数:MT400N概述: 负载400 kg 水平伸展距离3,503 mm 垂直伸展距离4,319 mm 重复性±0.5 mm 最大线速度2,200 mm/s

    全国咨询服务热线:0755-89664789

    产品介绍


    MT400N概述:
    负载400 kg
    水平伸展距离3,503 mm
    垂直伸展距离4,319 mm
    重复性±0.5 mm
    最大线速度2,200 mm/s


    应用:
       机器管护    物料搬运   上下料    装配


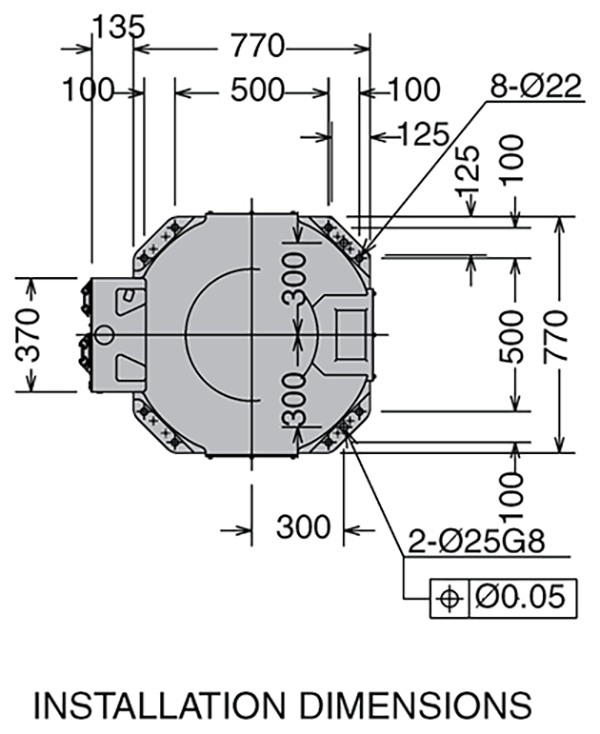
    运动范围与尺寸

    图中所示尺寸单位为毫米(mm)









    MT400N的规格:


    订购:MT400N机器人

    • 联系人
    • 手机号码
    • 电子邮件
    • 验证码

    © 2017 沃尔顿自动化装备(深圳)有限公司 版权所有

    地 址:深圳市坪山区翠景路28号   电话:0755-89664789  传真:0755-89664789

    粤ICP备19050790号 网站地图   免责声明  技术支持:国人在线