沃尔顿自动化装备(深圳)有限公司

中文 英文
6轴机器人VM系列
    • VM系列机器人

    VM系列机器人

    类别:6轴机器人VM系列

    参数:| 重复定位精度: ±0.05 mm~±0.07 mm
    | 标准循环时间:约0.8~0.9秒及0.9~1.0秒
    | 最大合成速度: 8,300 mm/秒
    | 可搬运质量:最大13kg*4
    | 臂工作范围:1,021 mm 及 1,298 mm
    | 设置方法: 地面安装、吊装
    | 符合ANSI及CE标准

    全国咨询服务热线:0755-89664789

    产品介绍

    VM系列

    在DENSO机器人的所有垂直多关节机器人中,VM系列的臂工作范围大,还拥有引以为傲的可搬运质量。


    | 重复定位精度: ±0.05 mm~±0.07 mm
    | 标准循环时间:约0.8~0.9秒及0.9~1.0秒
    | 最大合成速度: 8,300 mm/秒
    | 可搬运质量:最大13kg*4
    | 臂工作范围:1,021 mm 及 1,298 mm
    | 设置方法: 地面安装、吊装
    | 符合ANSI及CE标准
    控制器:〈RC8〉标准型对应
         〈RC7M〉全球通用型对应


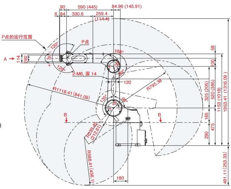
    规格




    外形尺寸与运行范围




    订购:VM系列机器人

    • 联系人
    • 手机号码
    • 电子邮件
    • 验证码

    © 2017 沃尔顿自动化装备(深圳)有限公司 版权所有

    地 址:深圳市坪山区翠景路28号   电话:0755-89664789  传真:0755-89664789

    粤ICP备19050790号 网站地图   免责声明  技术支持:国人在线